Jump directly to main navigation Jump directly to content

Spare parts search

Which spare part are you looking for?

Serial number, designation, motor, illustration
 
 
 Reset filter 
 
 

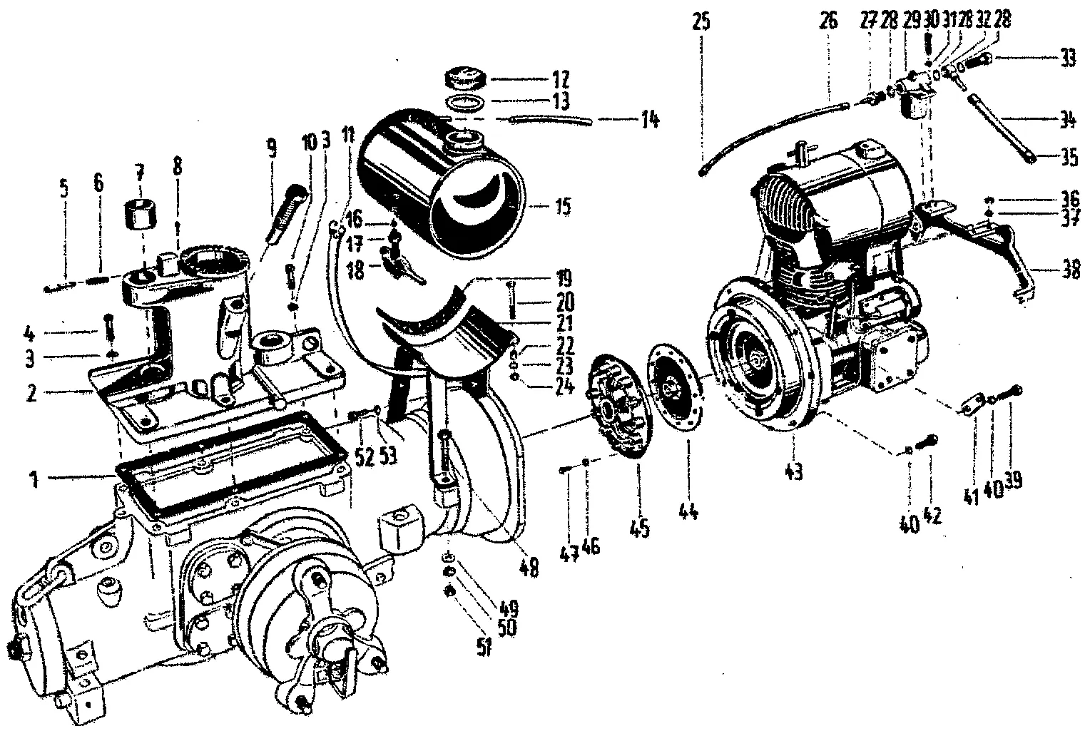
1800002 - 1800 D Hirth-2T-Diesel, Engine accessories

 

Please click on the picture or designation, or select an illustration on the left side to go to the next step.