Jump directly to main navigation Jump directly to content

Spare parts search

Which spare part are you looking for?

Serial number, designation, motor, illustration
 
 
 Reset filter 
 
 

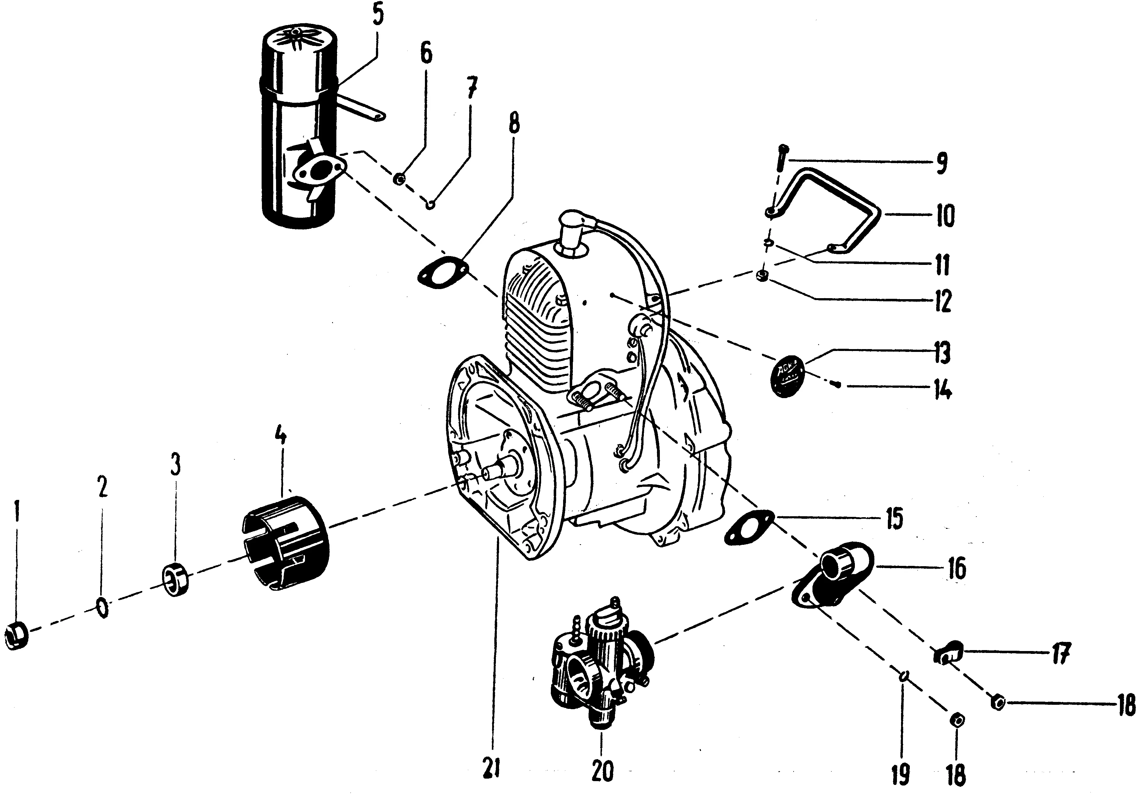
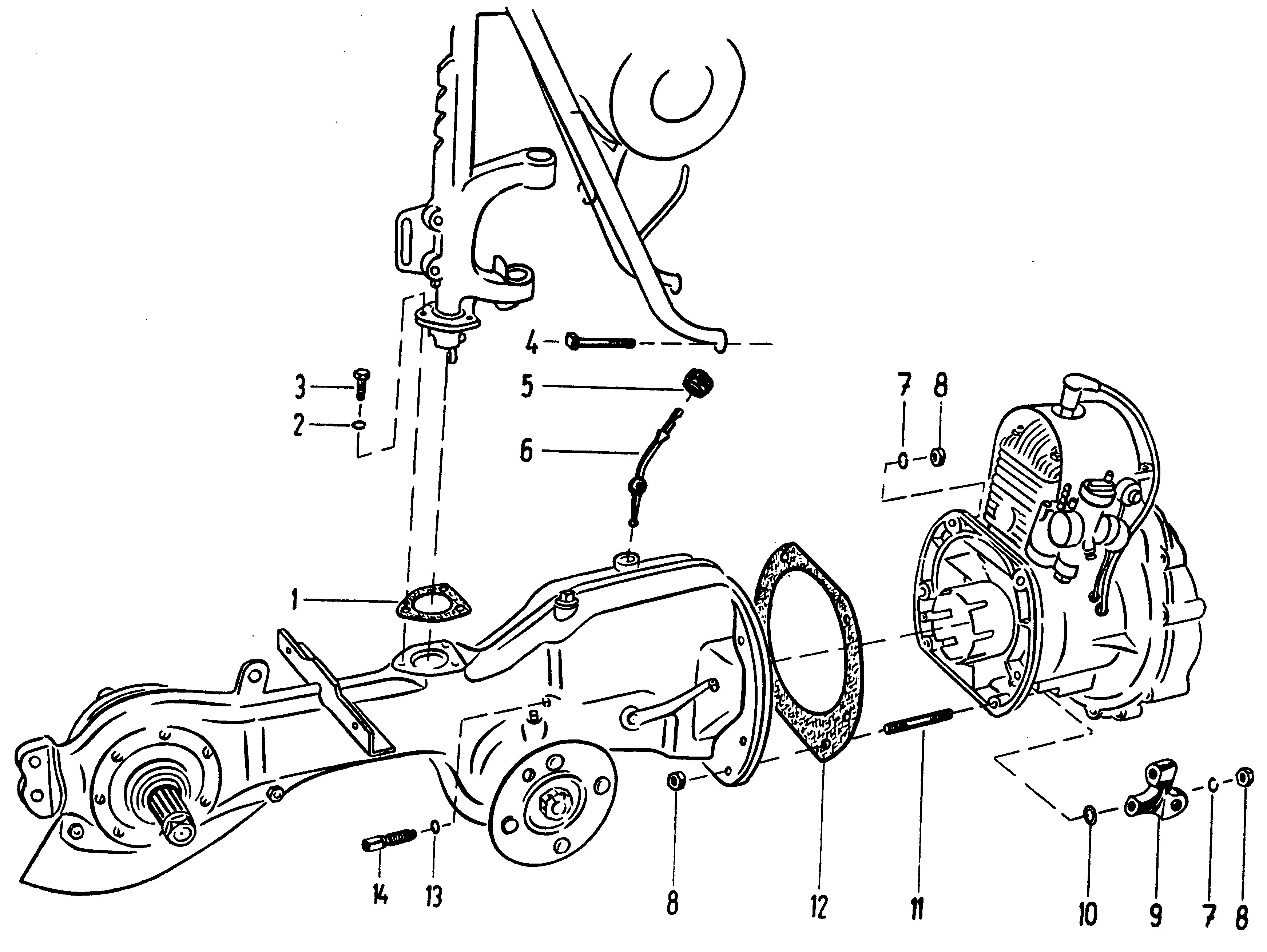
1600001 - agria 1600 Universal Machine; 1600 / L, Engine accessories

 

Please click on the picture or designation, or select an illustration on the left side to go to the next step.