Jump directly to main navigation Jump directly to content

Spare parts search

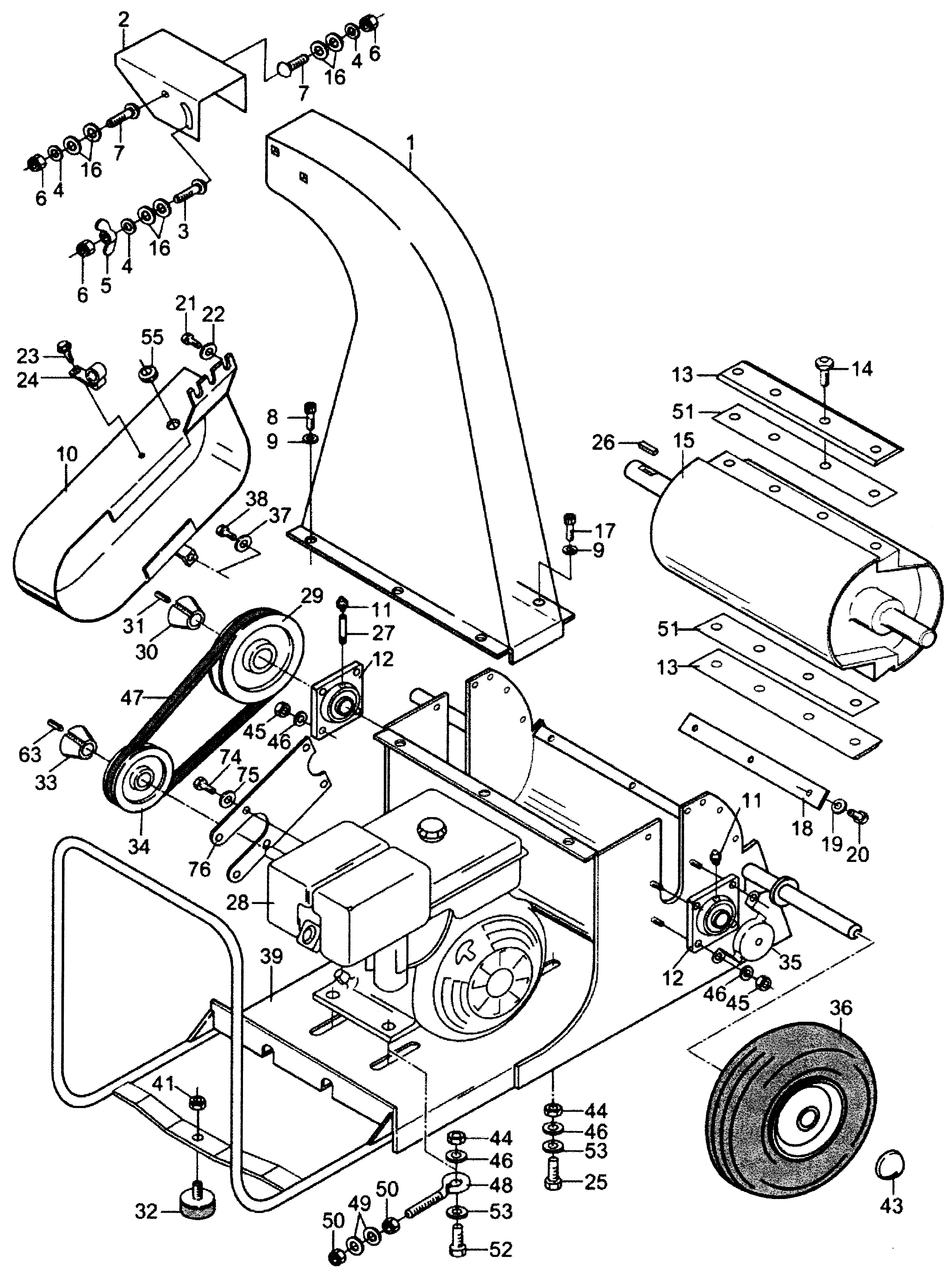
Which spare part are you looking for?

Serial number, designation, motor, illustration
 
 
 Reset filter 
 
 

7500211 - agria 7500 TH 50, Basic

 

Please click on the picture or designation, or select an illustration on the left side to go to the next step.