Jump directly to main navigation Jump directly to content

Spare parts search

Which spare part are you looking for?

Serial number, designation, motor, illustration
 
 
 Reset filter 
 
 

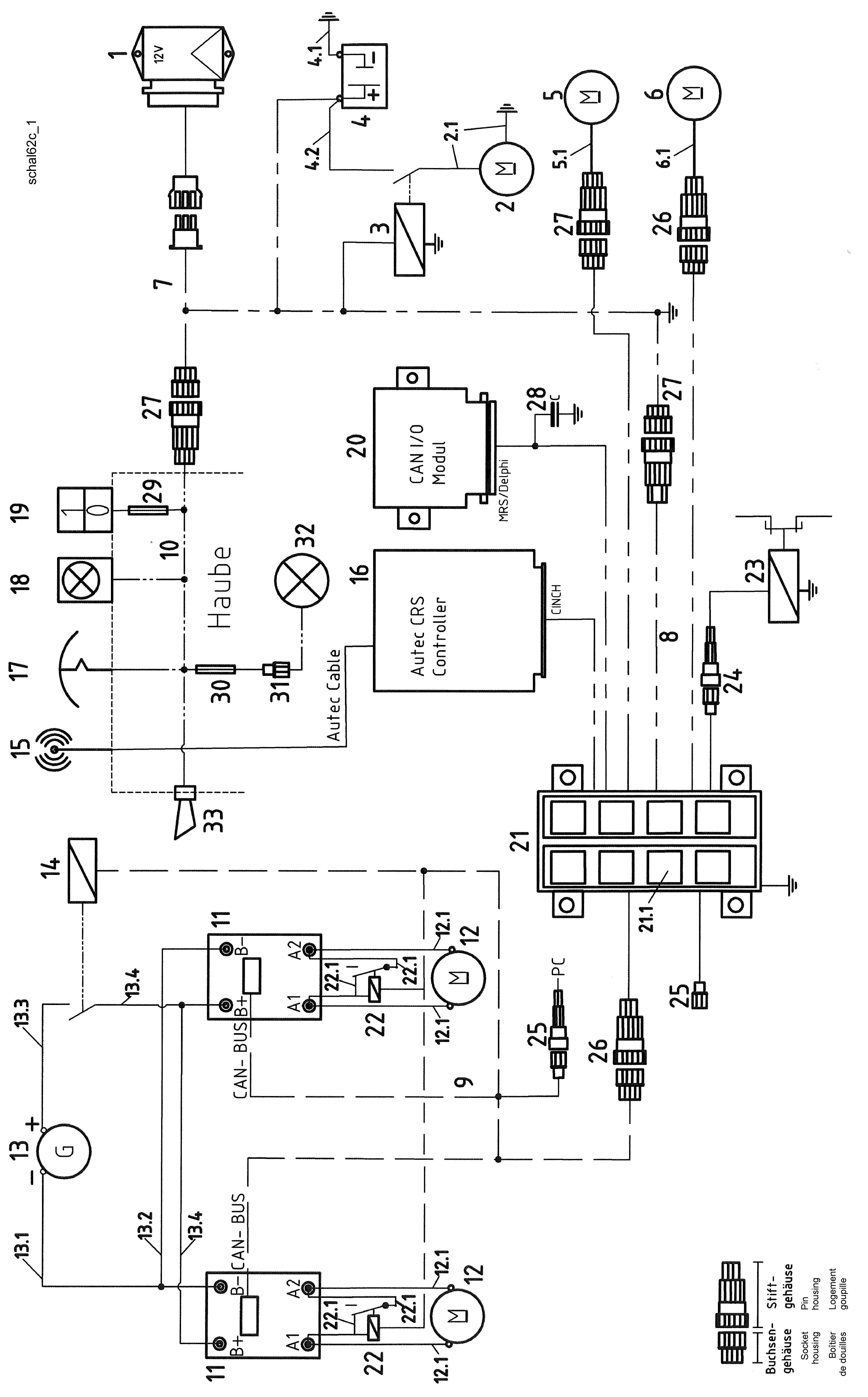
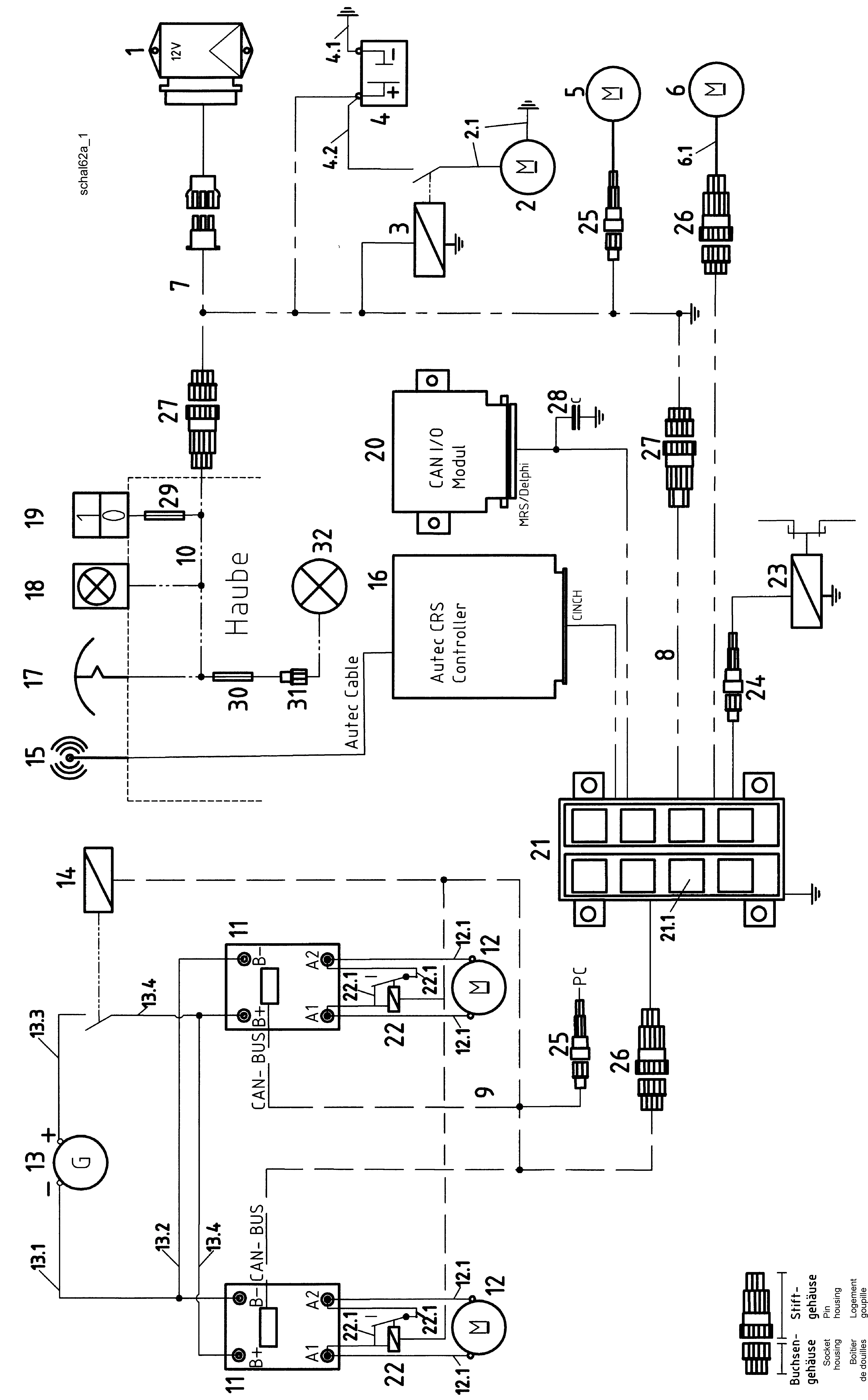
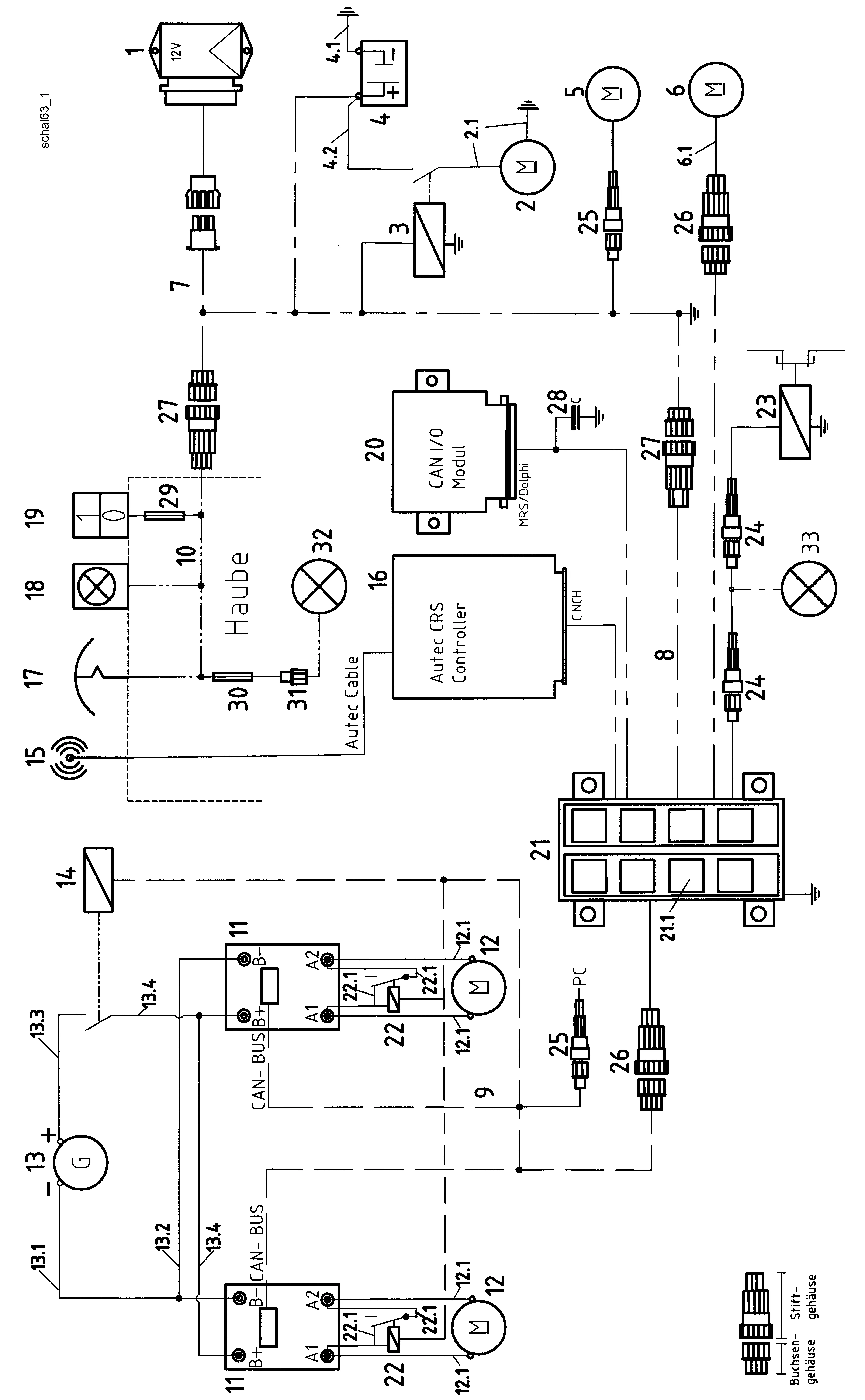
9600111 - agria 9600-112 Remote-controlled High Grass Rotary Mulcher, Electric

 

Please click on the picture or designation, or select an illustration on the left side to go to the next step.