Jump directly to main navigation Jump directly to content

Spare parts search

Which spare part are you looking for?

Serial number, designation, motor, illustration
 
 
 Reset filter 
 
 

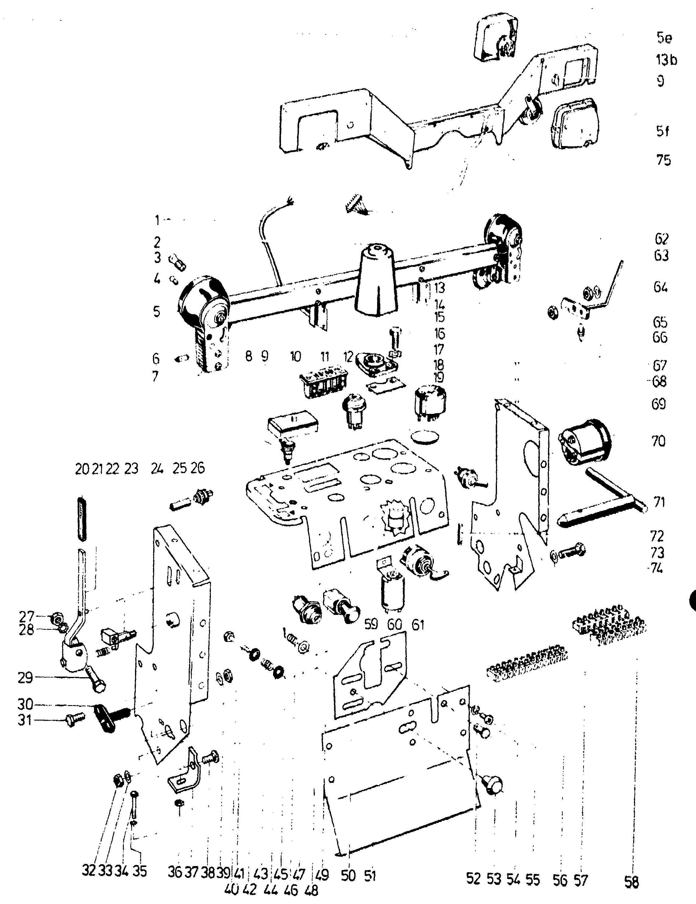
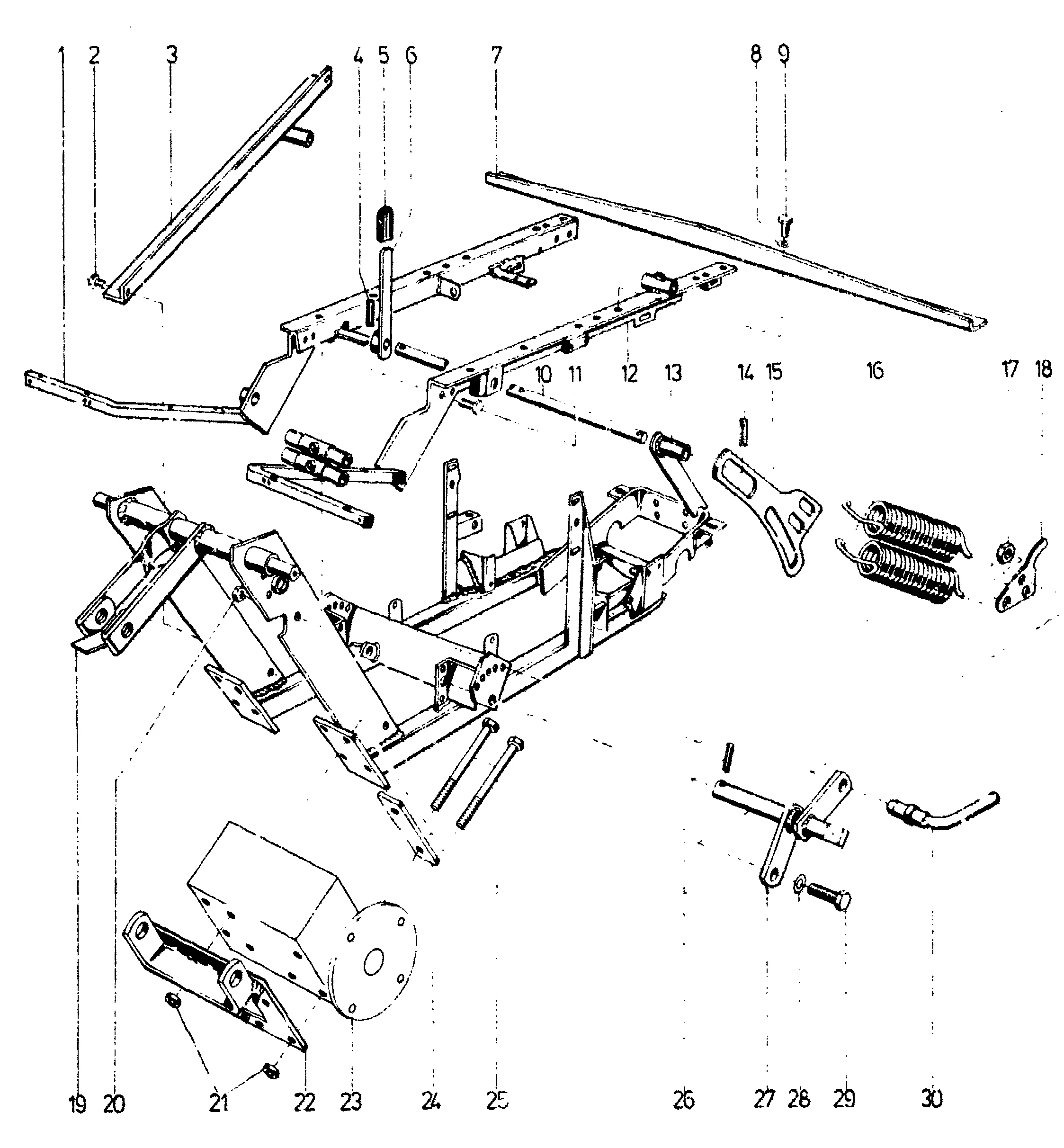
8300463 - agria 8300 GROSSFLKOMBIMÄHER MEL L D 20KW, Diverse

 

Please click on the picture or designation, or select an illustration on the left side to go to the next step.