Jump directly to main navigation Jump directly to content

Spare parts search

Which spare part are you looking for?

Serial number, designation, motor, illustration
 
 
 Reset filter 
 
 

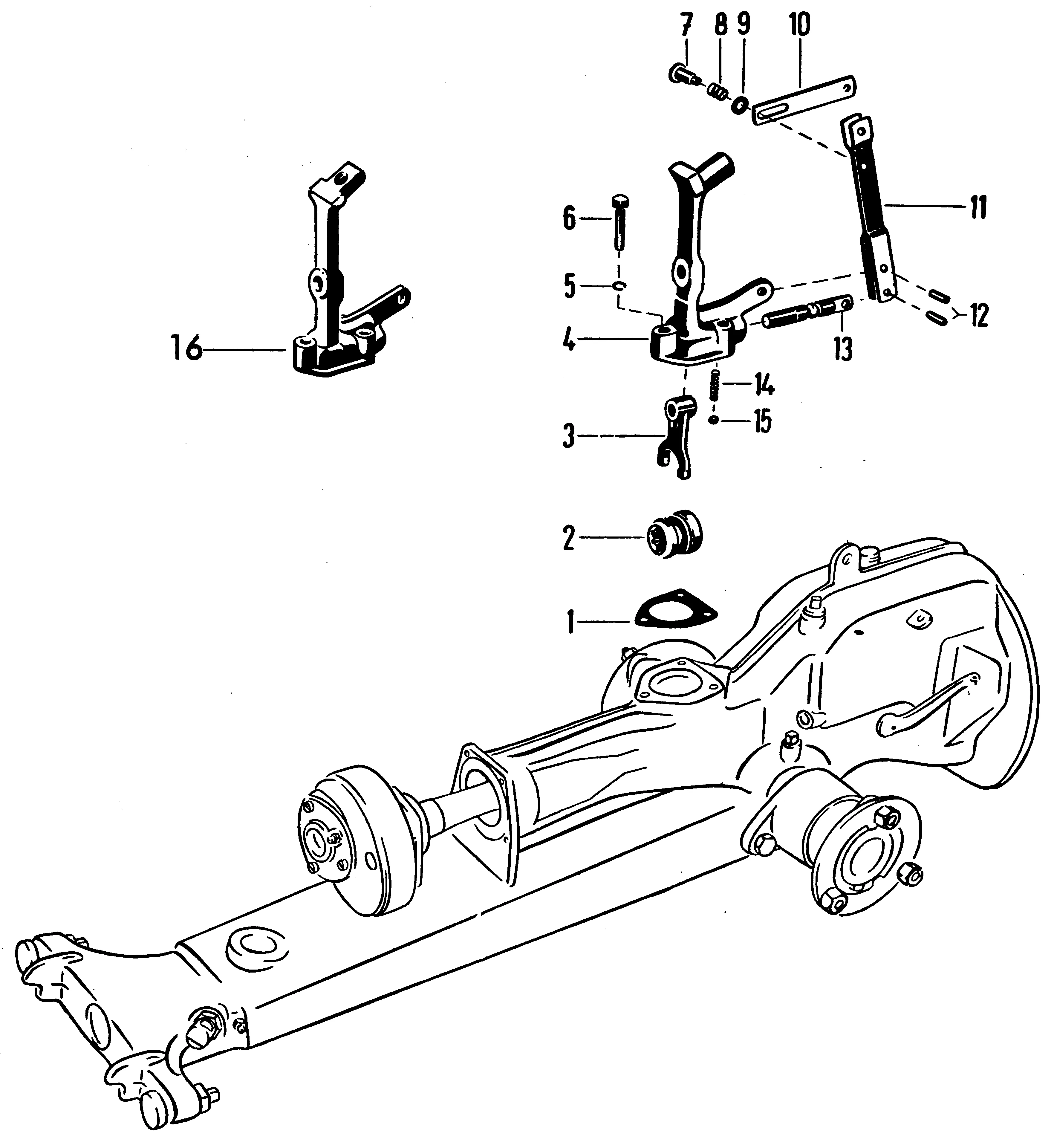
2300001 - agria 2300 Spezial-Motormäher Hirth 45/110; agria 2300, Gear

 

Please click on the picture or designation, or select an illustration on the left side to go to the next step.