Jump directly to main navigation Jump directly to content

Spare parts search

Which spare part are you looking for?

Serial number, designation, motor, illustration
 
 
 Reset filter 
 
 

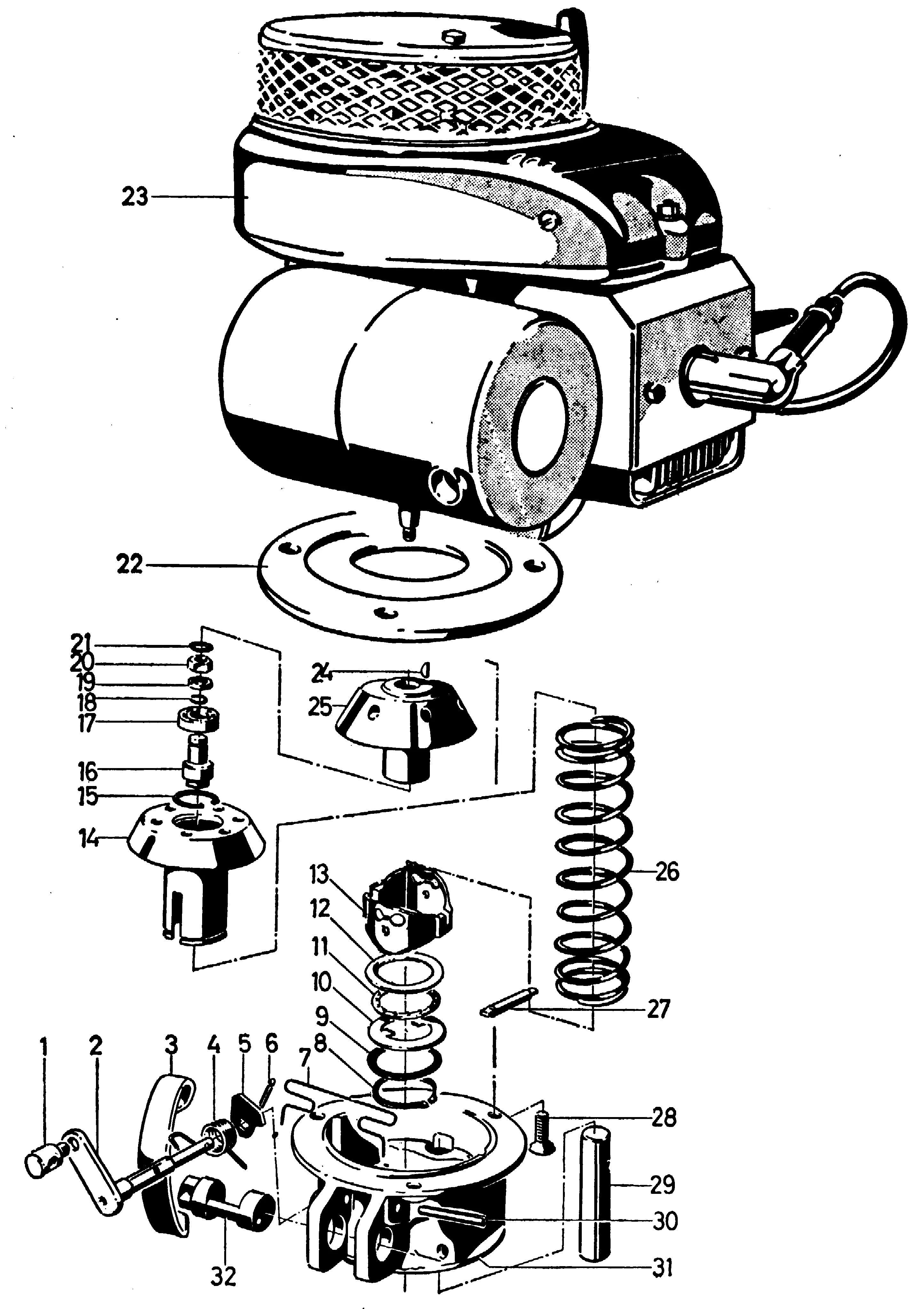
0300021 - agria 0300 mit F&S Stamo 96, Clutch

 

Please click on the picture or designation, or select an illustration on the left side to go to the next step.