Jump directly to main navigation Jump directly to content

Spare parts search

Which spare part are you looking for?

Serial number, designation, motor, illustration
 
10 - 3400 - 3400231 - 45 -

Serial number: 340041500176 x Delete

 
 Reset filter 
 
 

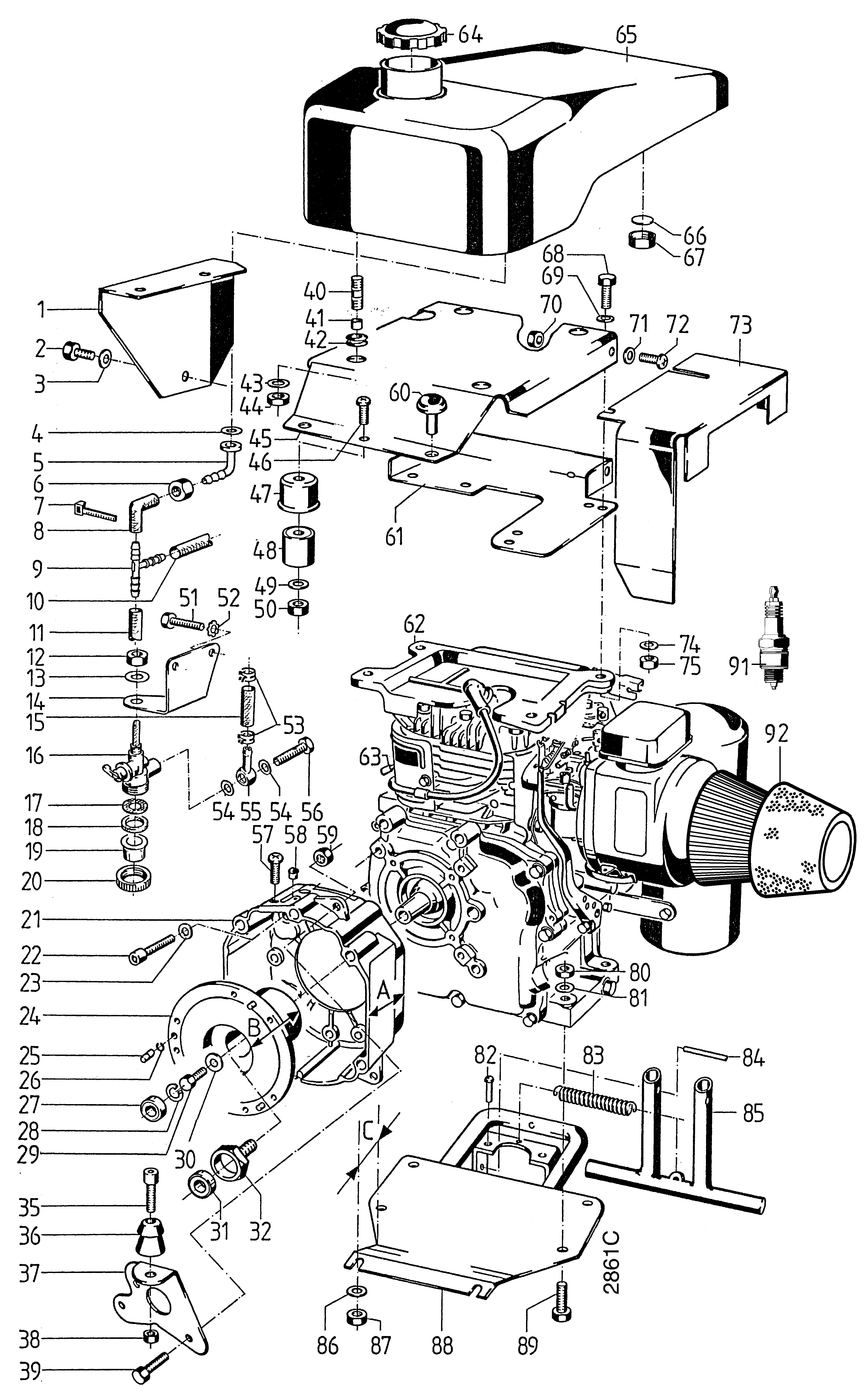
3400231 - agria 3400 4G DIFF 4T5,4KW, Engine accessories

 

Please click on the picture or designation, or select an illustration on the left side to go to the next step.