Aller directement à la navigation principale Aller directement au contenu

Recherche de pièce de rechange

Quelle pièce de rechange recherchez-vous?

N° série, article, désignation, moteur, planche
 
 
 Réinitialiser le filtre 
 
 

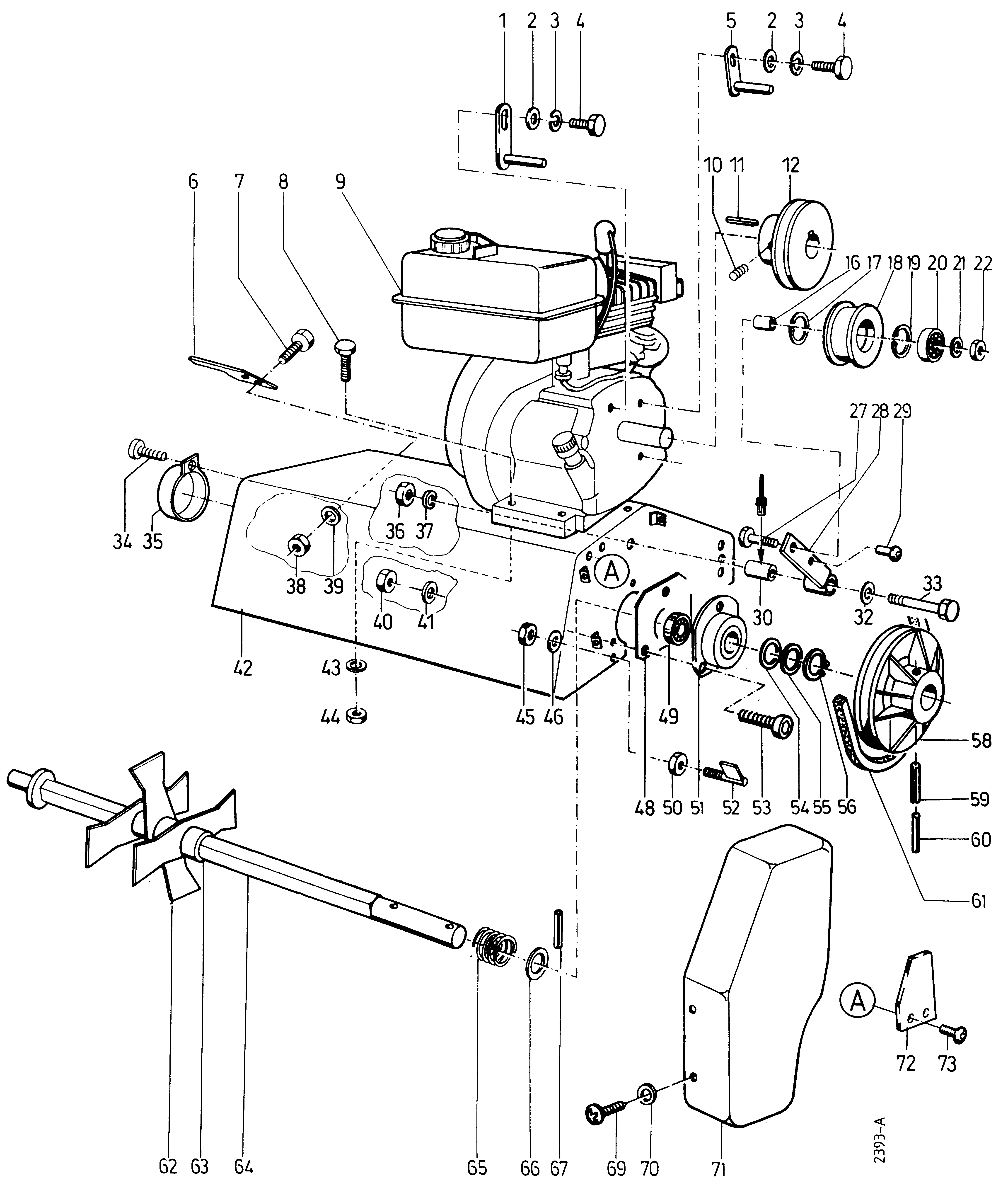
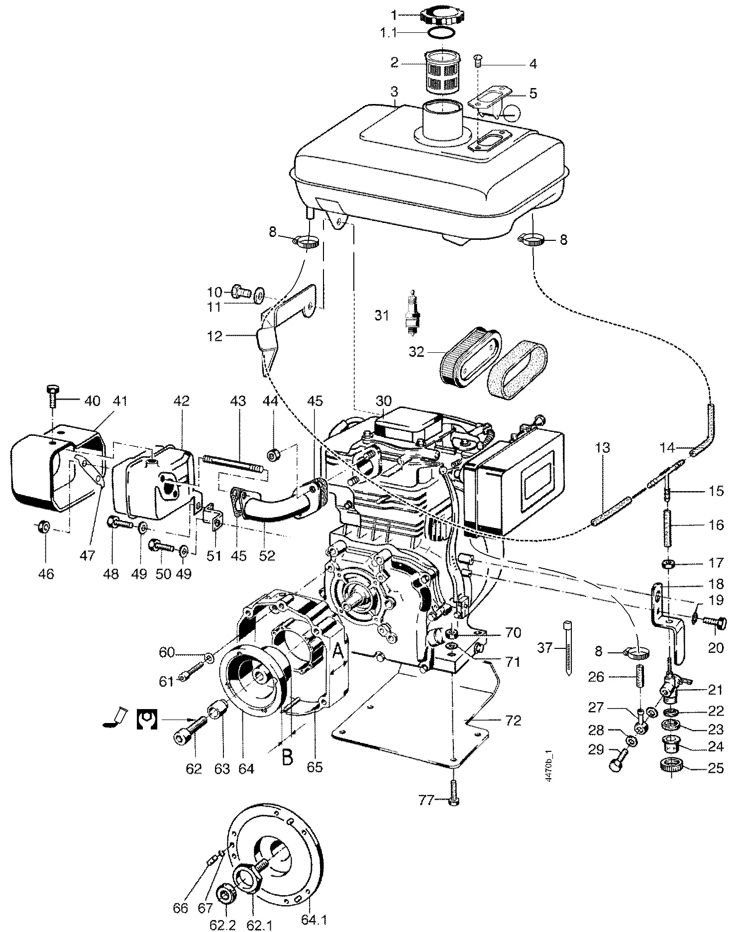
5500414 - agria 5500 L Grizzly compact, Accessoires du Moteur

 

Veuillez cliquer sur l'illustration ou la désignation ou bien sélectionner une fiche sur la page de gauche, pour accéder à l'étape suivante.