Ersatzteil-Suche
Was für ein Ersatzteil suchen Sie?
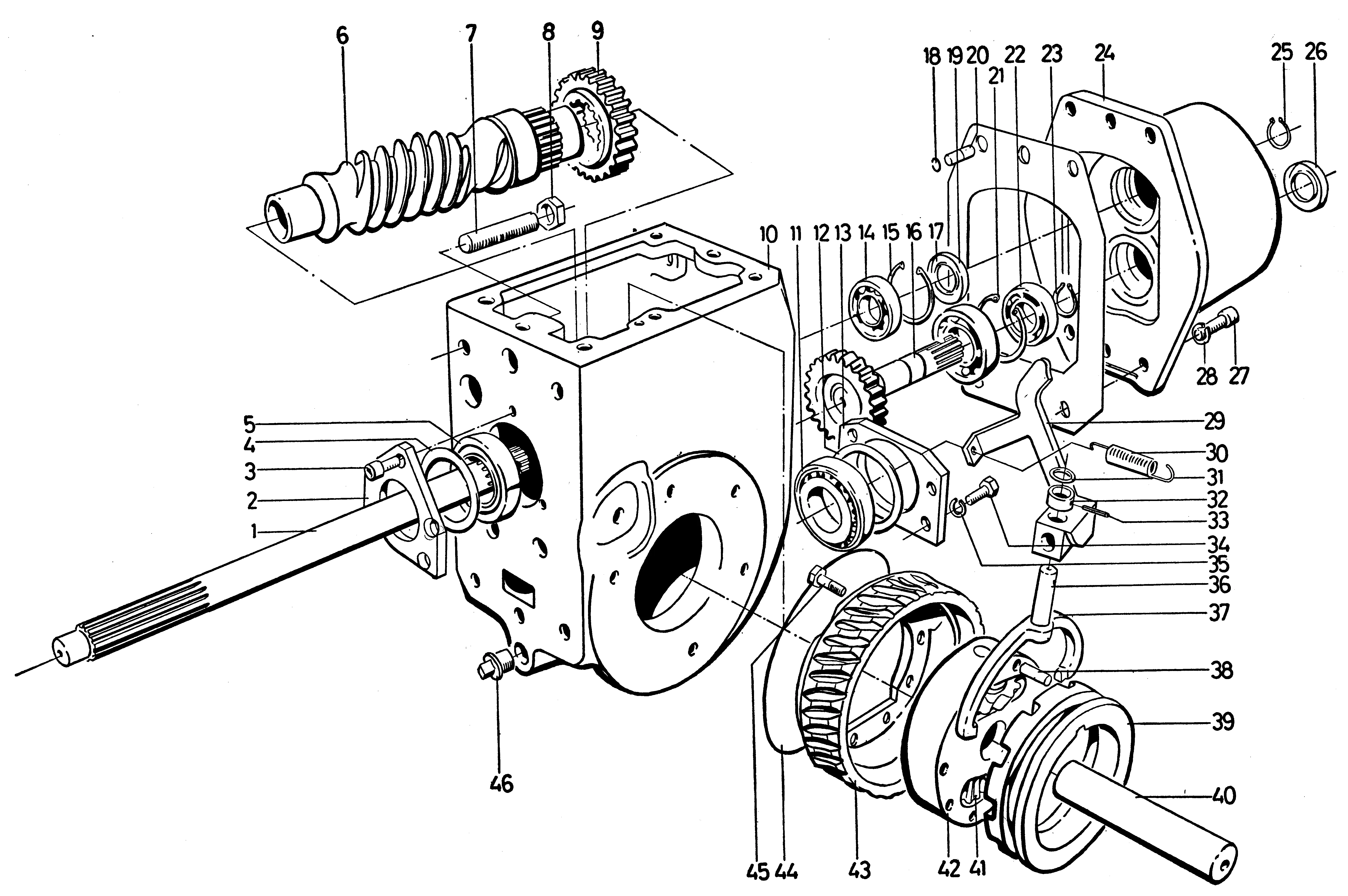
6700001 - agria 6700 Allradschlepper, Radgetriebe
Bitte klicken Sie auf das Bild oder die Bezeichnung oder wählen Sie auf der linken Seite eine Tafel aus, um in den nächsten Schritt zu gelangen.
Bitte klicken Sie auf das Bild oder die Bezeichnung oder wählen Sie auf der linken Seite eine Tafel aus, um in den nächsten Schritt zu gelangen.