Direkt zur Hauptnavigation springen Direkt zum Inhalt springen

Ersatzteil-Suche

Was für ein Ersatzteil suchen Sie?

S/N, Artikel, Bezeichnung, Motor, Tafel
 
 
 Filter zurücksetzen 
 
 

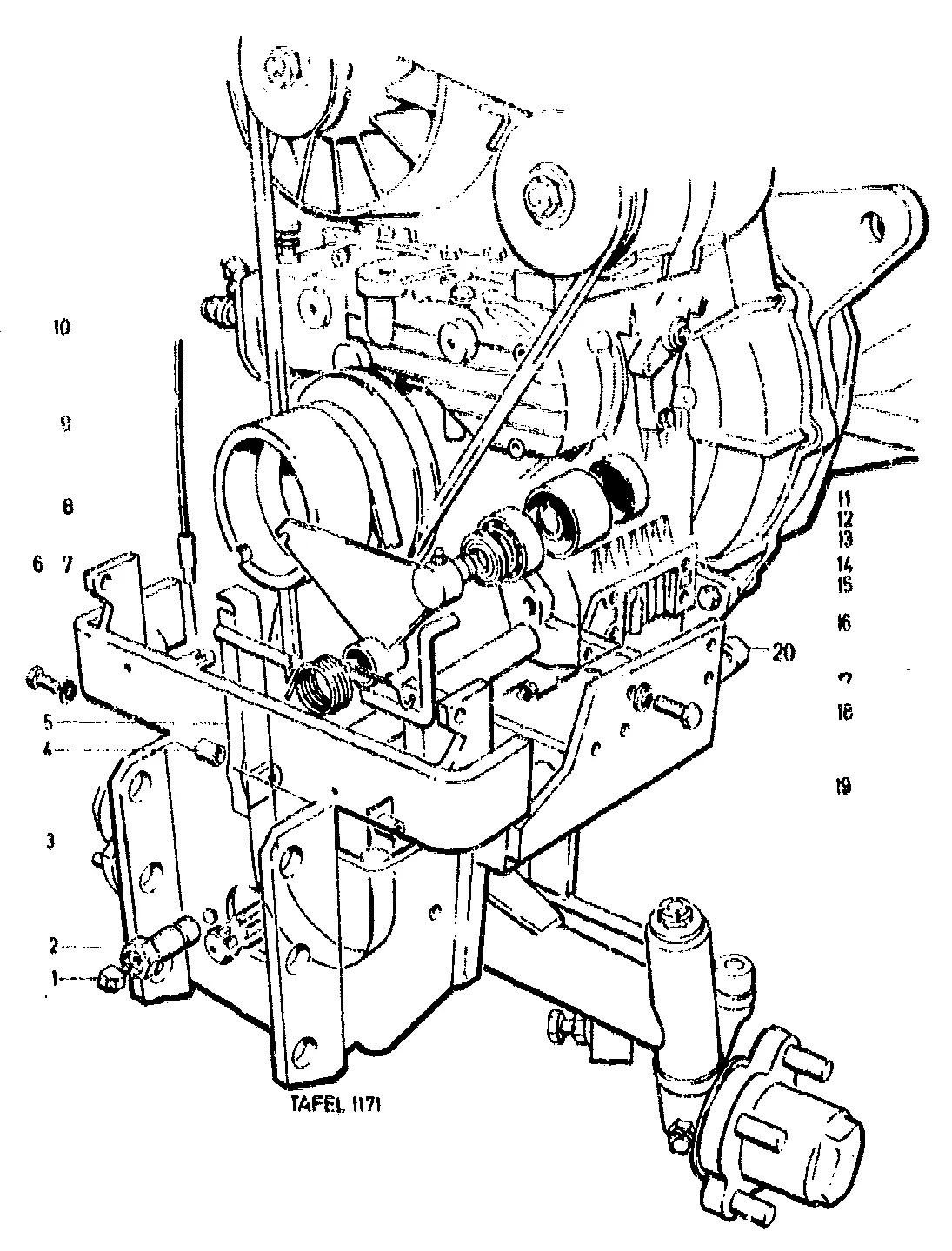
5700011 - agria 5700 Kompaktschlepper, Keilriemengetriebe

 

Bitte klicken Sie auf das Bild oder die Bezeichnung oder wählen Sie auf der linken Seite eine Tafel aus, um in den nächsten Schritt zu gelangen.