Ersatzteil-Suche
Was für ein Ersatzteil suchen Sie?
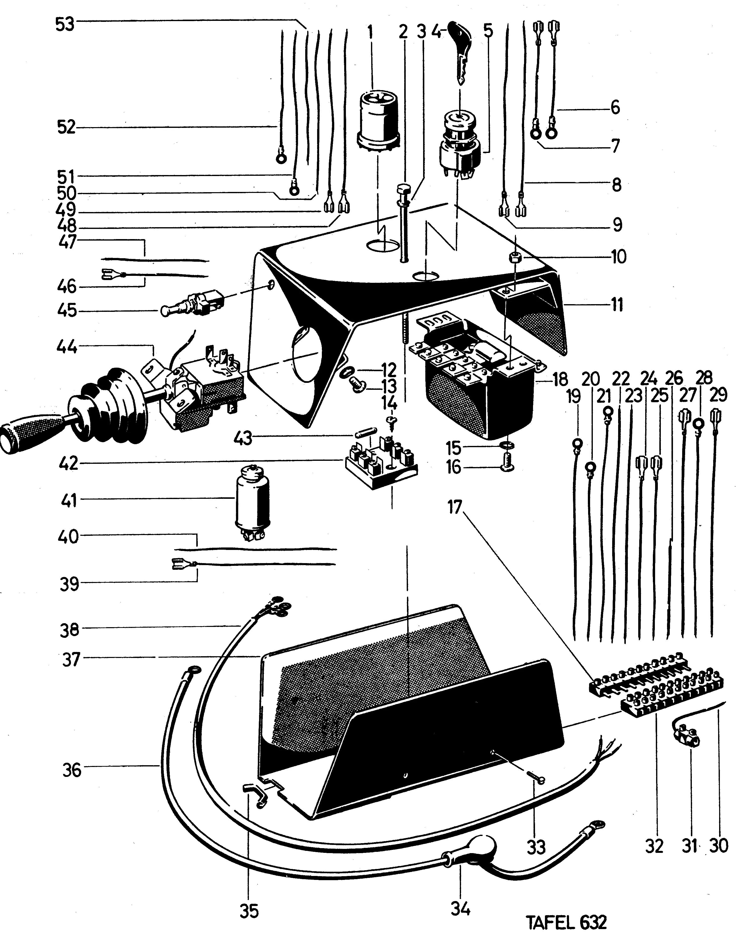
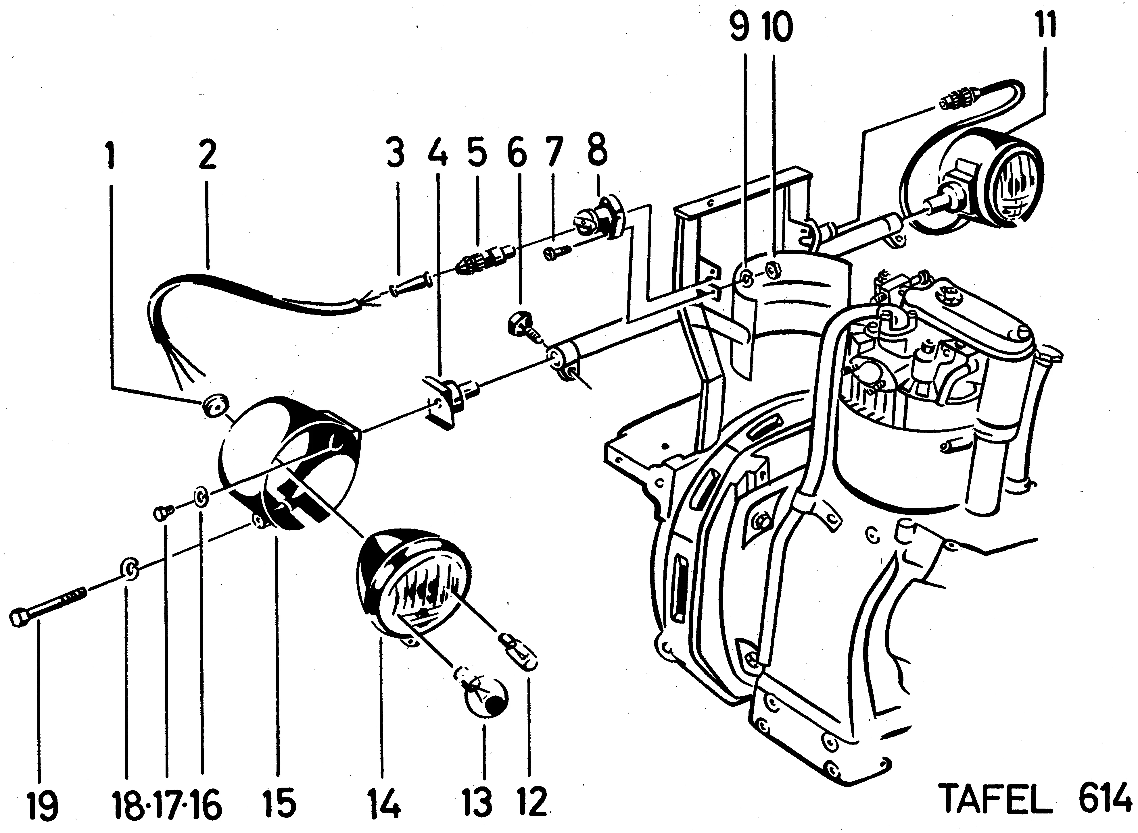
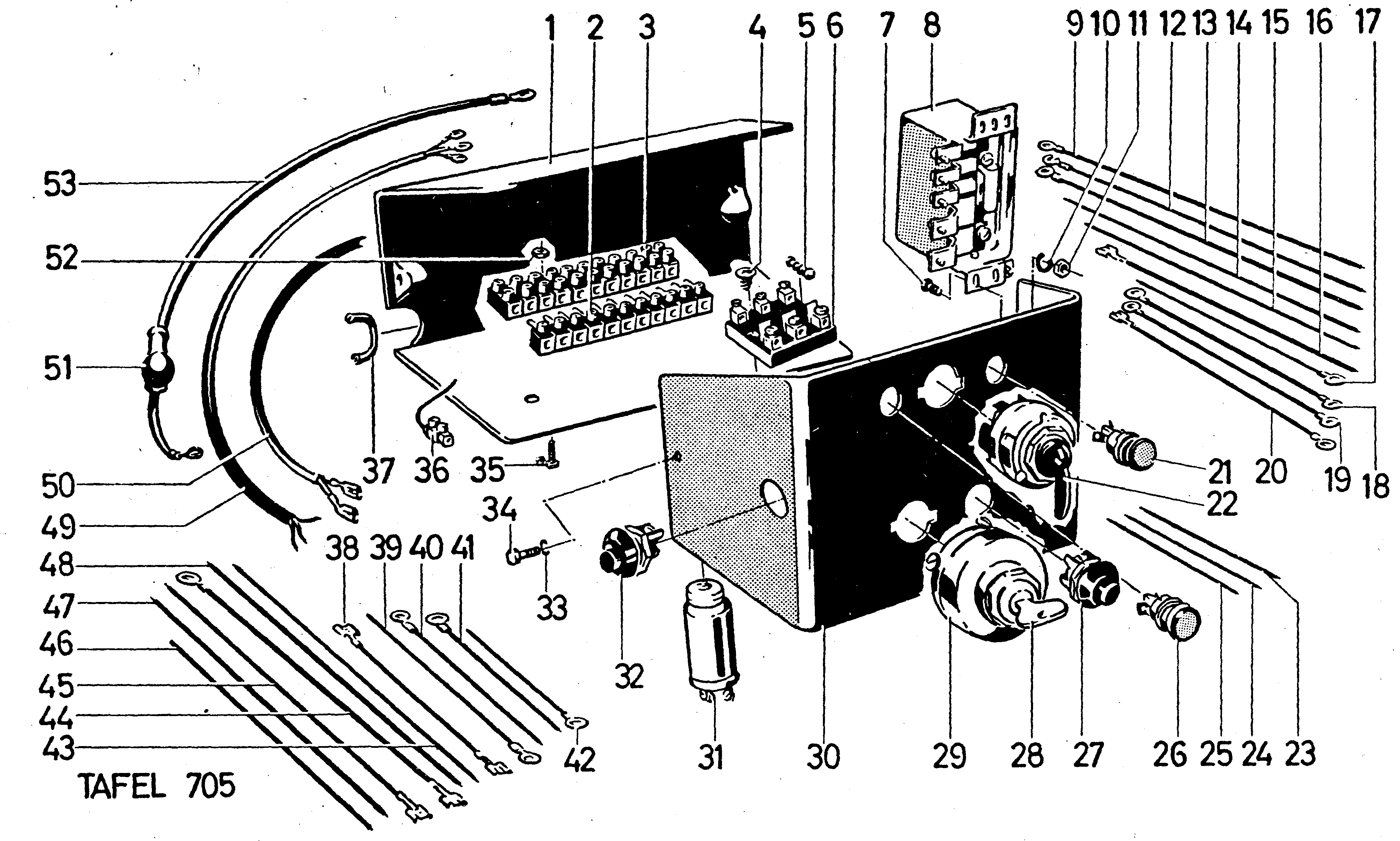
4800998 - 4800 Serie 45, Elektrische Anlage
Bitte klicken Sie auf das Bild oder die Bezeichnung oder wählen Sie auf der linken Seite eine Tafel aus, um in den nächsten Schritt zu gelangen.
Bitte klicken Sie auf das Bild oder die Bezeichnung oder wählen Sie auf der linken Seite eine Tafel aus, um in den nächsten Schritt zu gelangen.