Ersatzteil-Suche
Was für ein Ersatzteil suchen Sie?
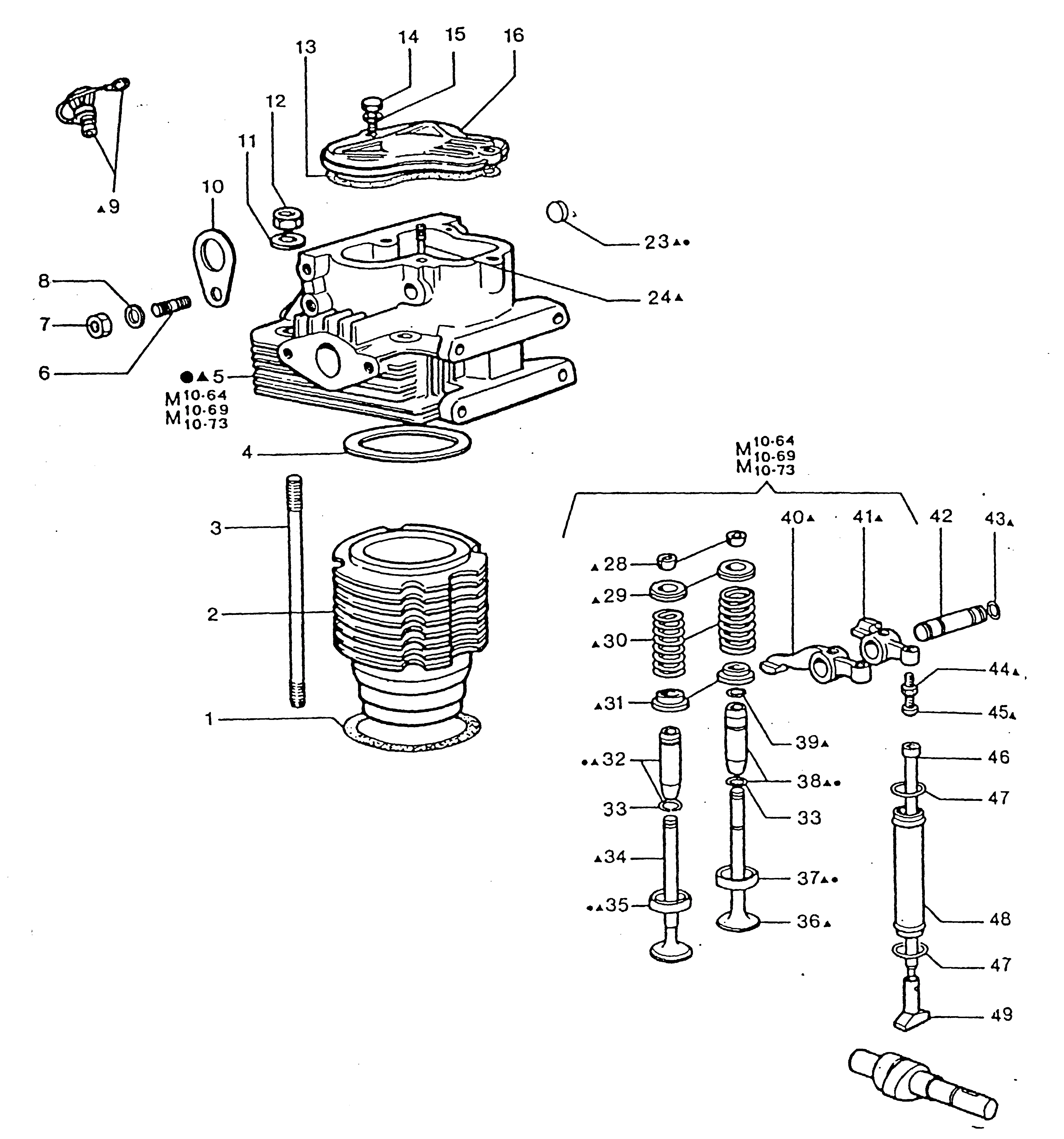
0008120 - Ruggerini RF 120, Motor Einzelteile
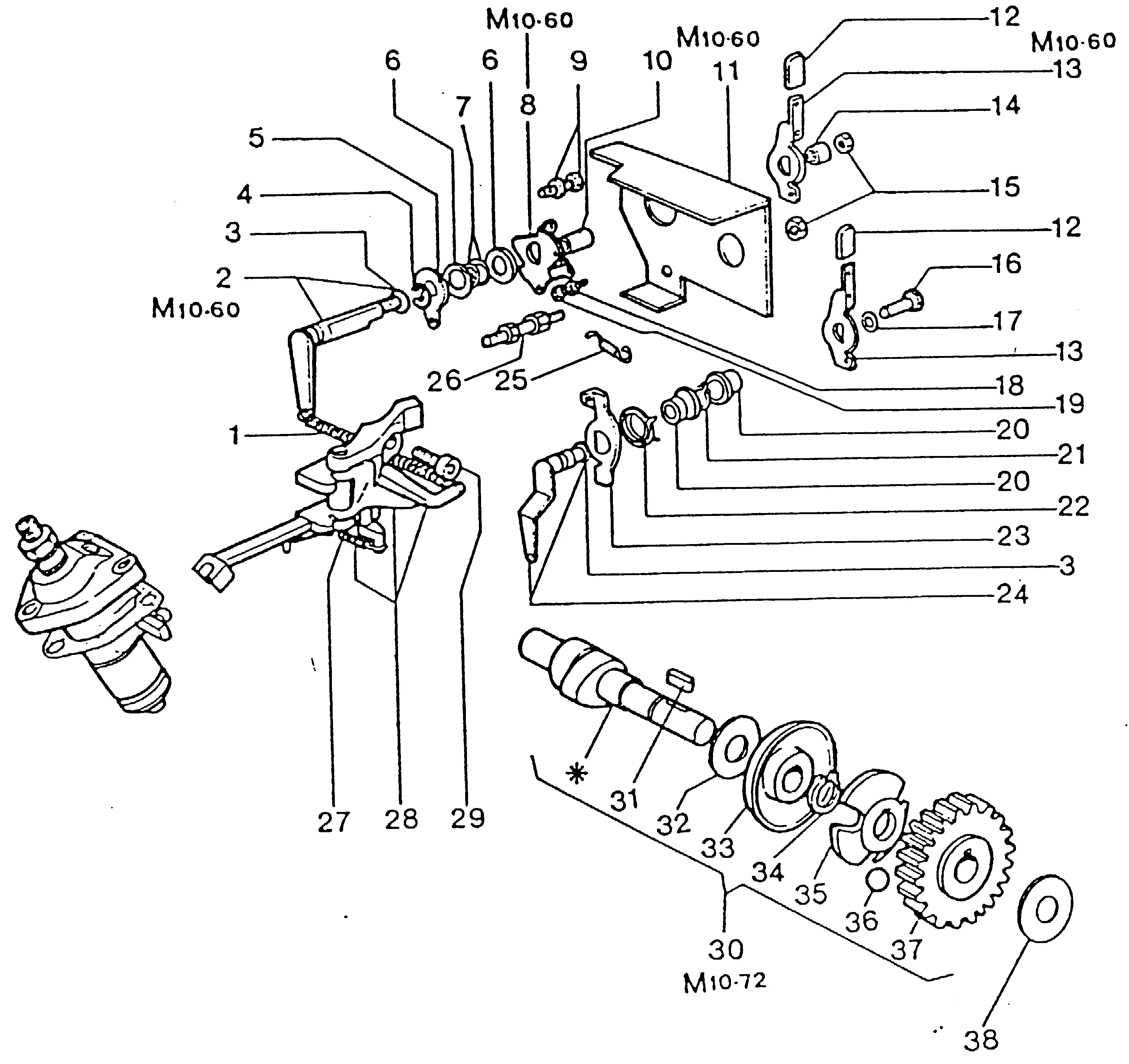
Bitte klicken Sie auf das Bild oder die Bezeichnung oder wählen Sie auf der linken Seite eine Tafel aus, um in den nächsten Schritt zu gelangen.
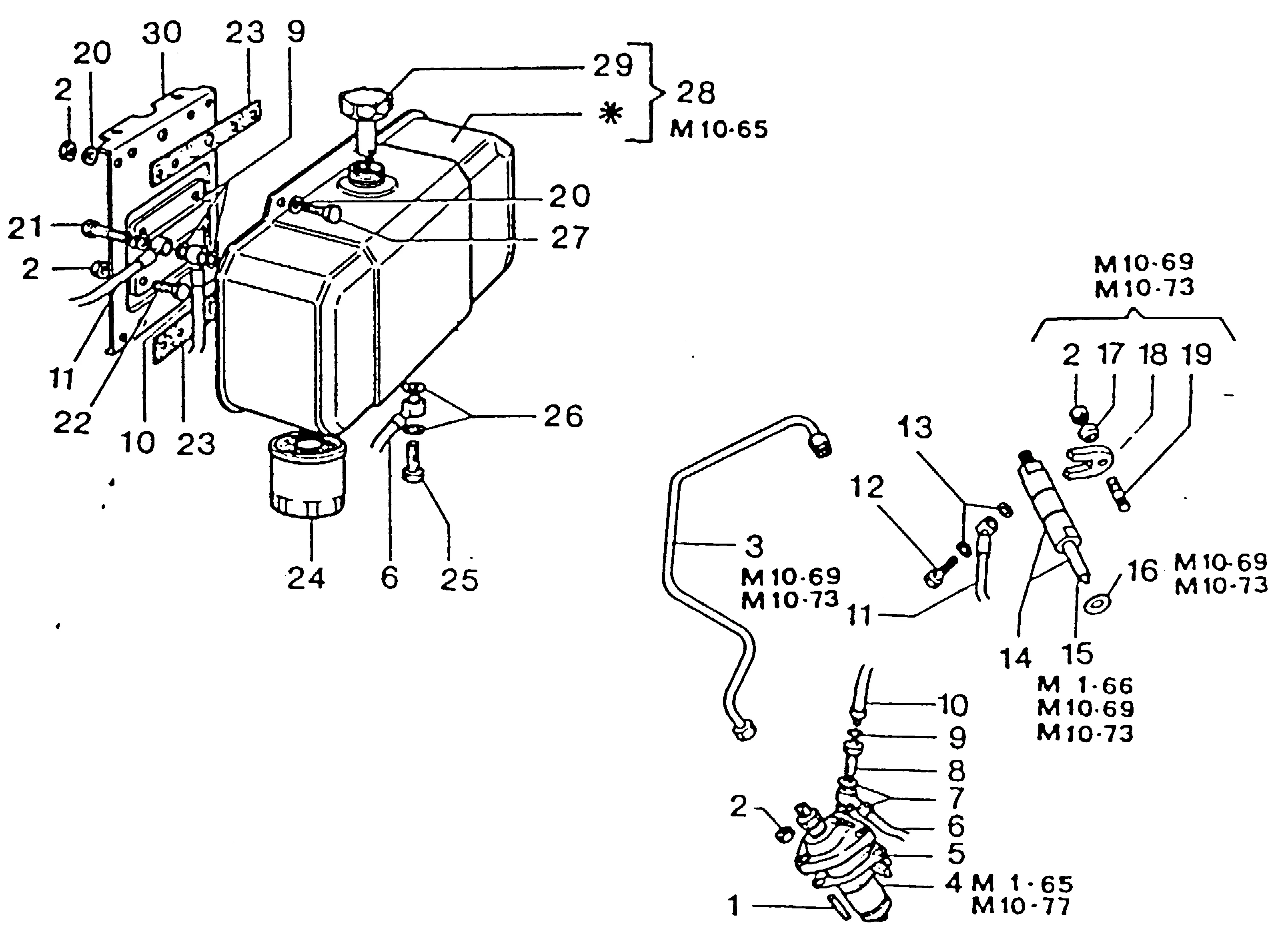
Bitte klicken Sie auf das Bild oder die Bezeichnung oder wählen Sie auf der linken Seite eine Tafel aus, um in den nächsten Schritt zu gelangen.