Ersatzteil-Suche
Was für ein Ersatzteil suchen Sie?
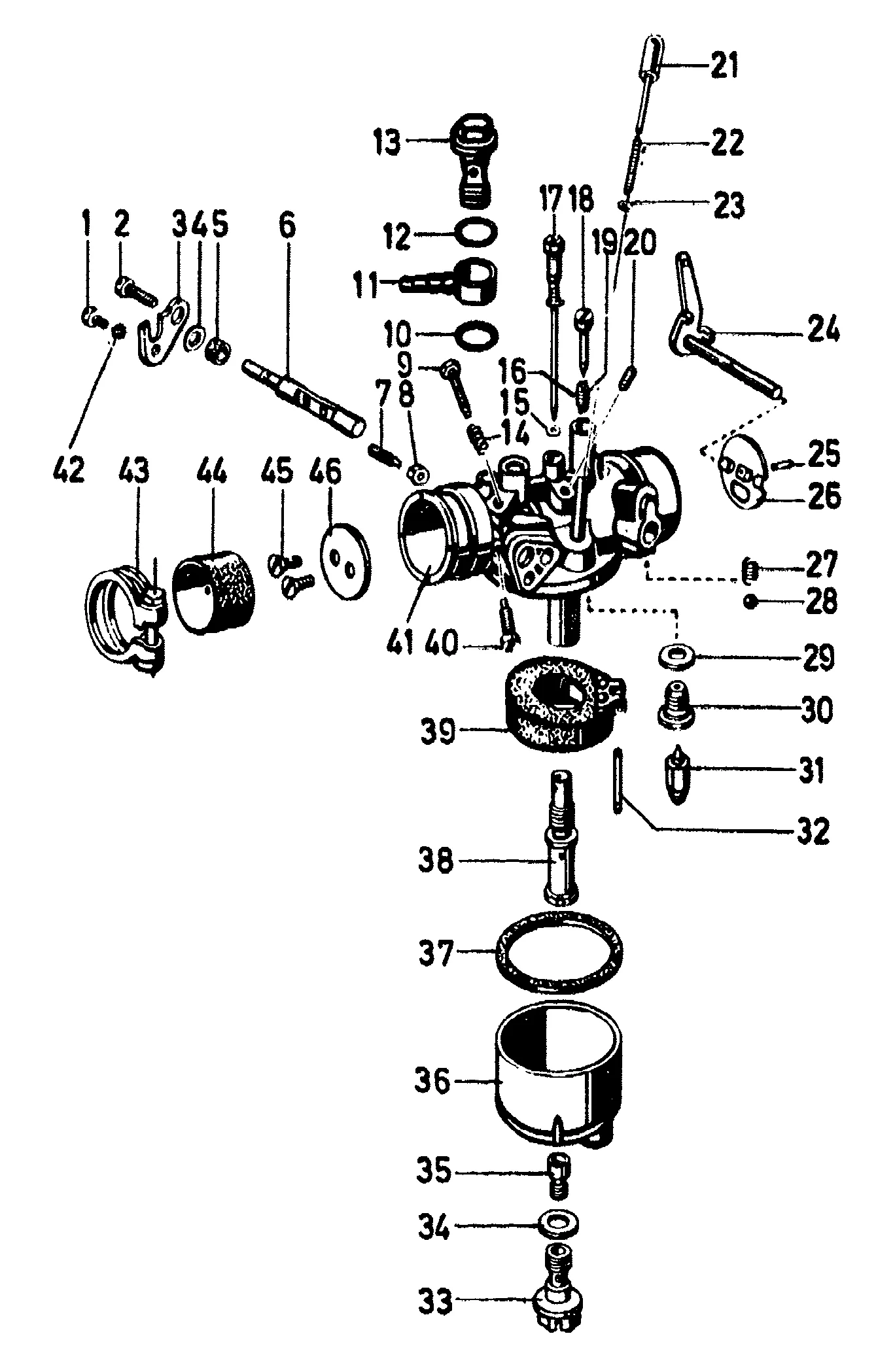
0005076 - MAG 2076, Motor Einzelteile
Bitte klicken Sie auf das Bild oder die Bezeichnung oder wählen Sie auf der linken Seite eine Tafel aus, um in den nächsten Schritt zu gelangen.
Bitte klicken Sie auf das Bild oder die Bezeichnung oder wählen Sie auf der linken Seite eine Tafel aus, um in den nächsten Schritt zu gelangen.