Direkt zur Hauptnavigation springen Direkt zum Inhalt springen

Ersatzteil-Suche

Was für ein Ersatzteil suchen Sie?

S/N, Artikel, Bezeichnung, Motor, Tafel
 
 
 Filter zurücksetzen 
 
 

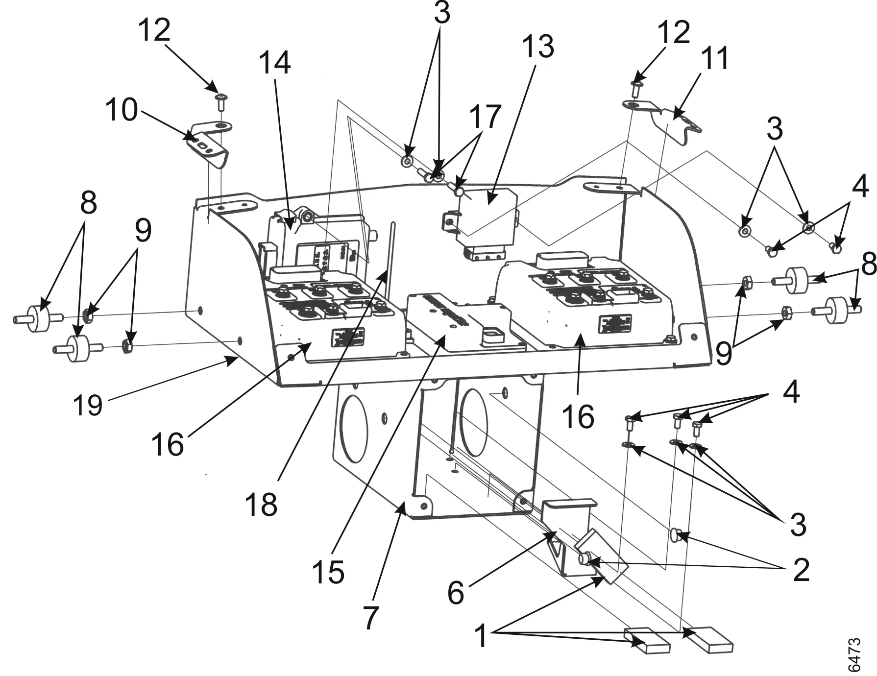
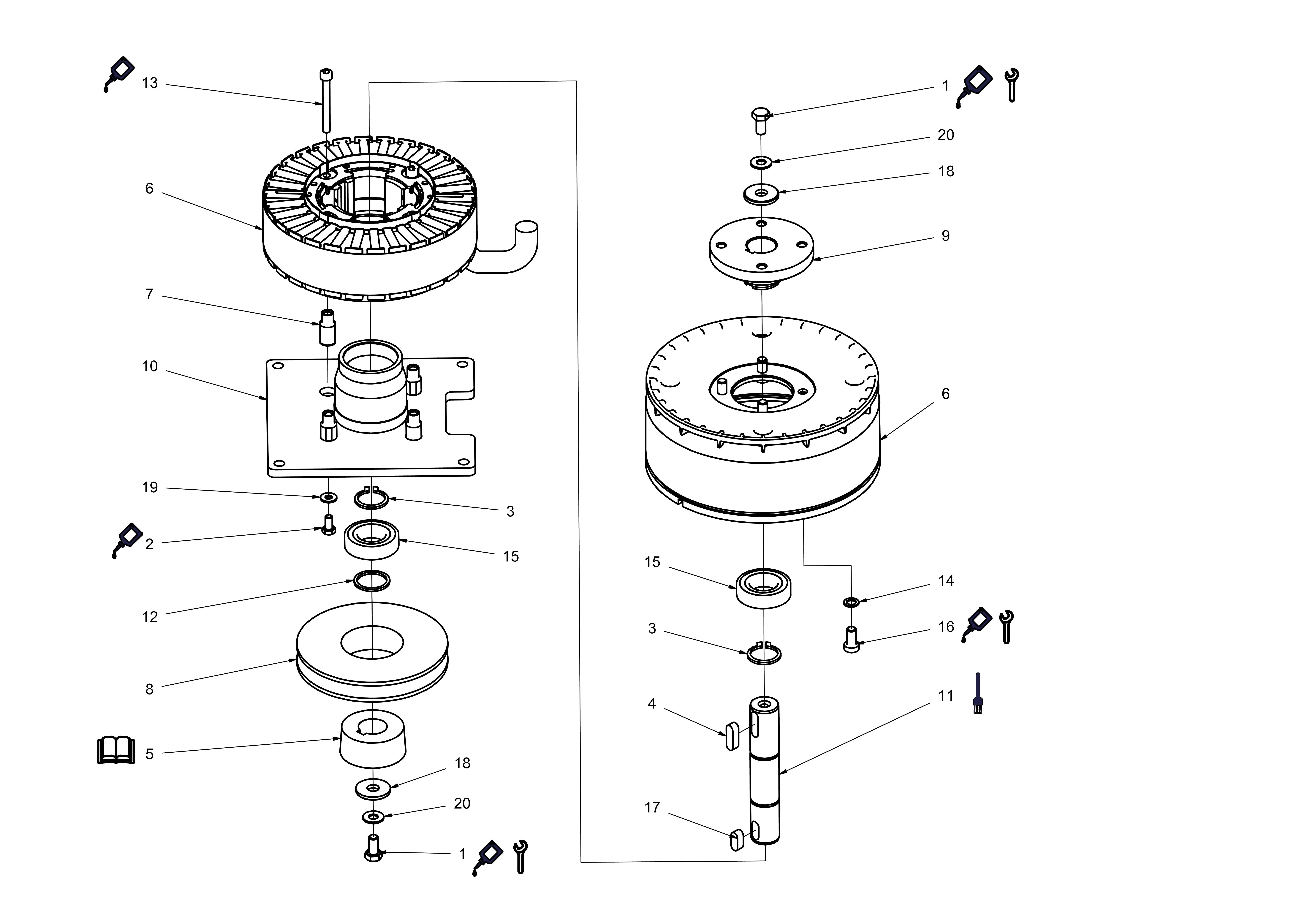
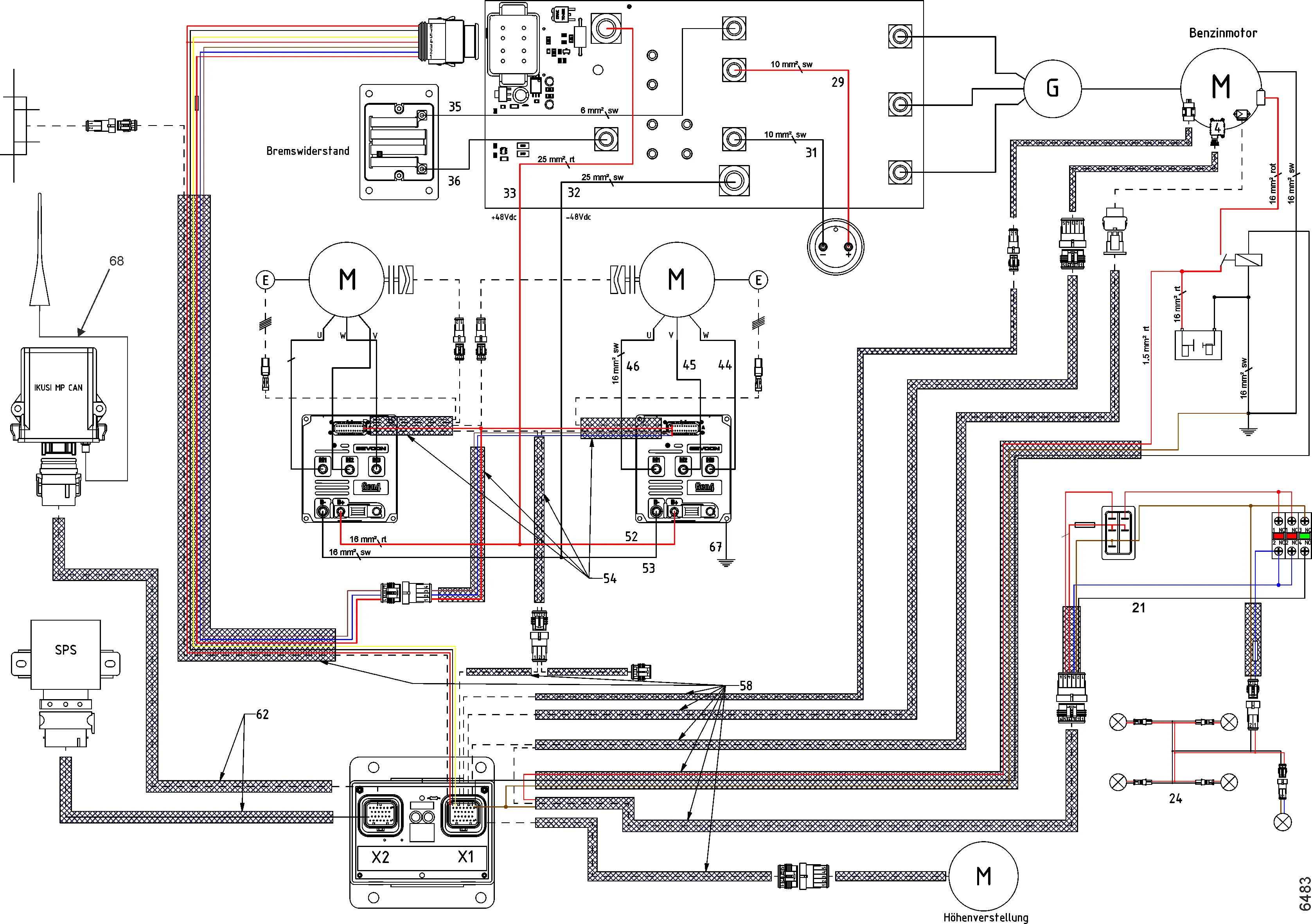
9500111 - agria 9500-70 premium Ferngesteuerter Kompaktmäher, Elektrische Anlage

 

Bitte klicken Sie auf das Bild oder die Bezeichnung oder wählen Sie auf der linken Seite eine Tafel aus, um in den nächsten Schritt zu gelangen.