Ersatzteil-Suche
Was für ein Ersatzteil suchen Sie?
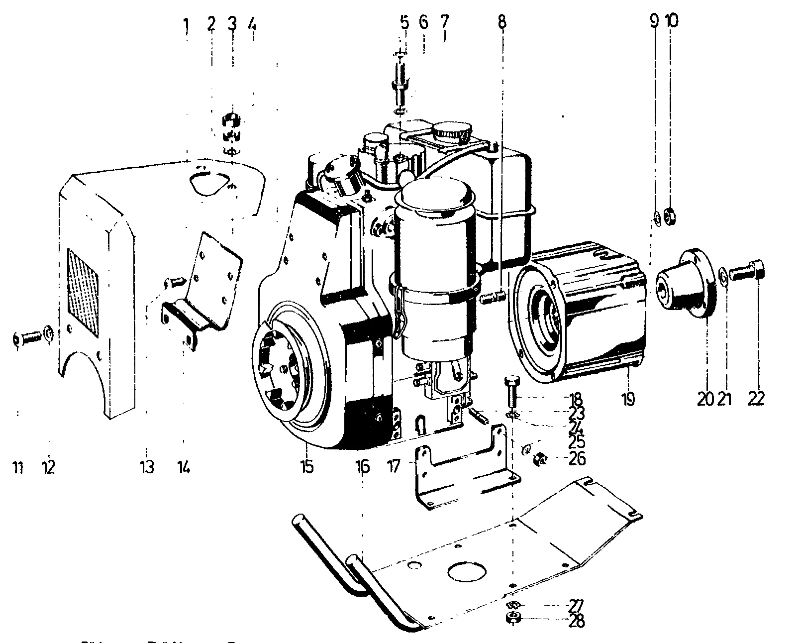
3200121 - agria 3200 RADS 4T3,5KW, Motor Anbauteile
Bitte klicken Sie auf das Bild oder die Bezeichnung oder wählen Sie auf der linken Seite eine Tafel aus, um in den nächsten Schritt zu gelangen.
Bitte klicken Sie auf das Bild oder die Bezeichnung oder wählen Sie auf der linken Seite eine Tafel aus, um in den nächsten Schritt zu gelangen.