Ersatzteil-Suche
Was für ein Ersatzteil suchen Sie?
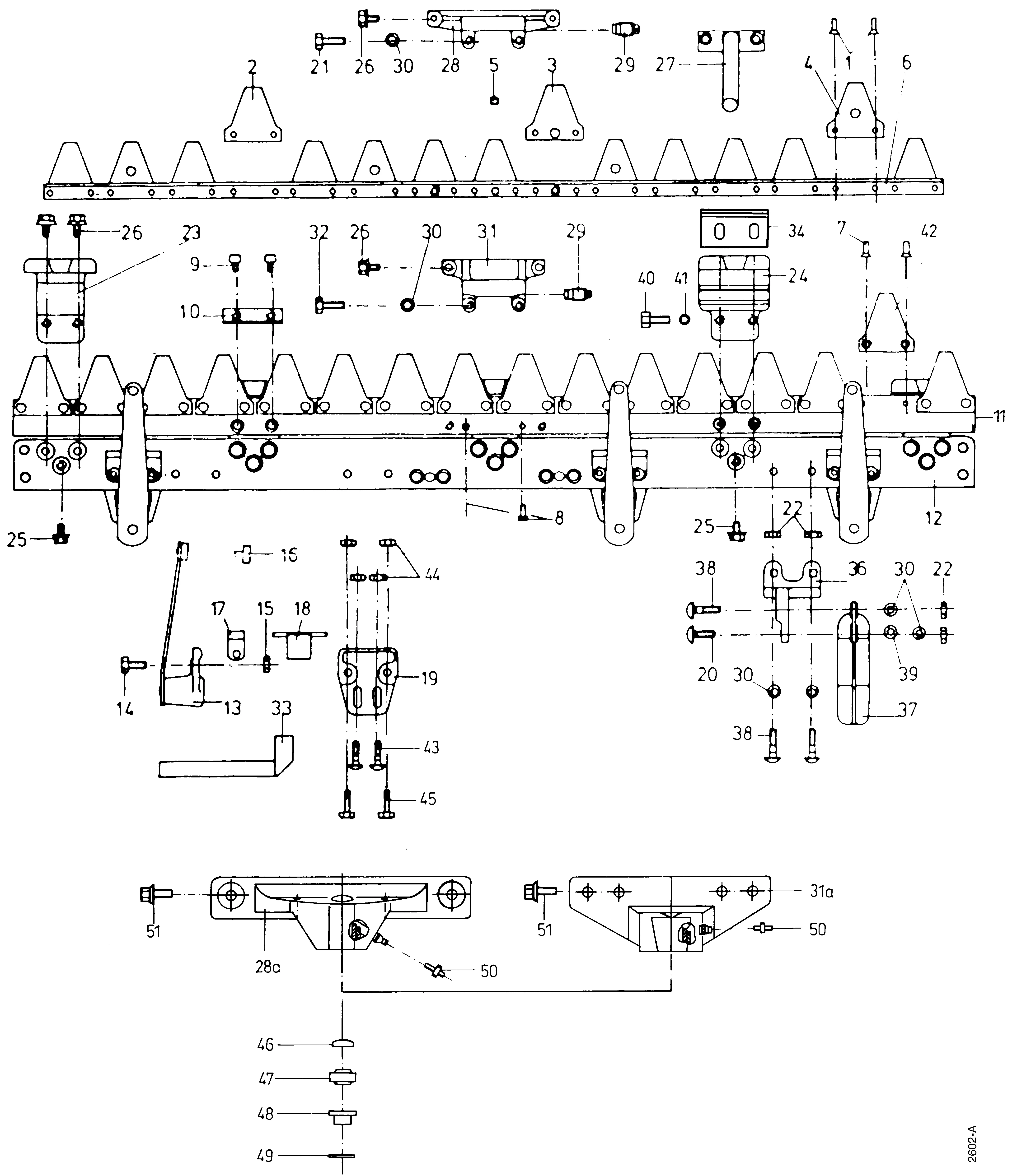
5400521 - agria 5400 2G DMOBALK KL 4T 4KW, Zubehör
Bitte klicken Sie auf das Bild oder die Bezeichnung oder wählen Sie auf der linken Seite eine Tafel aus, um in den nächsten Schritt zu gelangen.
Bitte klicken Sie auf das Bild oder die Bezeichnung oder wählen Sie auf der linken Seite eine Tafel aus, um in den nächsten Schritt zu gelangen.